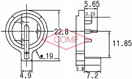
Home Products Coin Cell Holder ΦO=16mm

Coin Cell Holder - ΦO=16mm